BDS(双向开关)自诞生之初,就肩负着颠覆功率半导体的使命,它使矩阵变换器 (Matrix Converter)、电流源逆变器(CSI)以及单级AC/DC变换器等拓扑结构成为可能。然而,由于其在商业上难以实现,这项技术一直停留在学术层面。
不过今年开始,风向彻底变了。今年APEC(北美电力电子展),多个芯片厂商展示了单片式BDS(M-BDS)产品:瑞萨最新推出的650V SuperGaN、瑞萨/Tranphorm的650 V GaN FQS、英飞凌的650V CoolGaN BDS、Navitas的650 V双向GaNFast、Innoscience的30-120 V VGaN、Ideal Power的1200 V IGBT B-TRAN。意法半导体(ST)和德州仪器(TI)也在APEC上展示了正在前期生产阶段的GaN BDS解决方案,目前正处于JEDEC资格测试的最后阶段。
可以看出,双向GaN开关(BD-GaN)已经开启了商业化的“元年”,功率半导体即将步入新时代。那么,BDS这项技术究竟有什么好处,哪些厂商在布局?今天EEWorld详细盘点解析一下。
从单向到双向,控制四种不同状态
理想开关应具备双向特性:既能阻断双向电压,又能导通双向电流,同时具备极低的传导损耗与动态损耗、高效散热能力及已实现高功率密度。
然而,传统的MOSFET或IGBT单向开关(UDS)通常只具备正向导通和反向截止的能力。尽管借助MOSFET的体二极管或IGBT的反并联二极管能够实现第三象限的导通,但这种反向传导过程缺乏栅极的控制能力。
若要实现可受控的双向导通,一般需要将两个传统器件以背靠背(B2B)的方式连接,但这会使导通电阻RDS(on)增加一倍,因而必须并联多个器件才能达到单向开关所具有的阻抗水平。与此同时,B2B会增加系统复杂度、占板面积和成本,并额外引入了导致开关性能和效率降低的寄生参数,更关键的是,传统三端单相开关器件不具备独立进行双向电流控制的灵活性,限制了其在先进功率转换拓扑中的应用。
对更高功率密度、更高效率和更低系统成本的追求,使得这些挑战变得愈发严峻。对于Vienna整流器、T型变换器和HERIC架构等拓扑,采用分立器件背靠背连接的传统方案,已无法满足持续演进的市场需求。
BDS则是一种近乎理想的半导体开关:它不仅能在两个方向上实现阻断,还配备了两个栅极,可以非常精准地分别控制每个通道的通断,实现对两种极性电压和两个方向电流的控制,因此非常适用于多种拓扑结构。
BDS也不再只是控制“开”“关”两种状态,而是控制四种不同状态:导通(两个栅极均导通)、关断(两个栅极均关断)、正向阻断(栅极1导通、栅极2关断,电流方向:漏极→源极)以及反向阻断(栅极2导通、栅极1关断,电流方向:源极→漏极)。
正因如此,业界也会把BDS叫“四象限开关”(FQS)。如下图,这是英飞凌对于BDS四中状态的解析:

此外,双向开关还存在两种配置方式:共源极和共漏极。在共源极拓扑中,两个栅极共享同一个局部地,因此可以使用单个栅极驱动器;不过,这种拓扑的导通电阻RDS(on)较高。而在共漏极配置中,两个器件共享漏极,需要两个栅极驱动器,但其RDS(on)较低,因而可能实现更优的解决方案。其中,共漏极配置是目前最主流的方式。
这种四象限性意味着控制也与传统方法不同,例如在电流源逆变器(CSI)中使用四步换流序列实现安全换相,防止直流母线电感(Lbus)过压和直流母线电容(Cf)过流。
BDS的价值在哪
那么,具体到应用中,BDS到底有啥用?
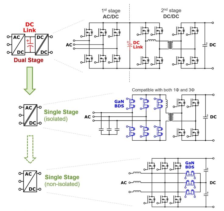
第一,是实现单级拓扑的光伏逆变器、车载充电器(OBC)。典型的AC/DC电动汽车OBC会先配置PFC级,再串联DC/DC级,中间通过庞大的“直流母线”电容器缓冲来完成,这种拓扑结构的问题在于系统体积庞大、损耗高、结构复杂且成本昂贵。BDS则可实现单级DC/AC变换,效率更高。

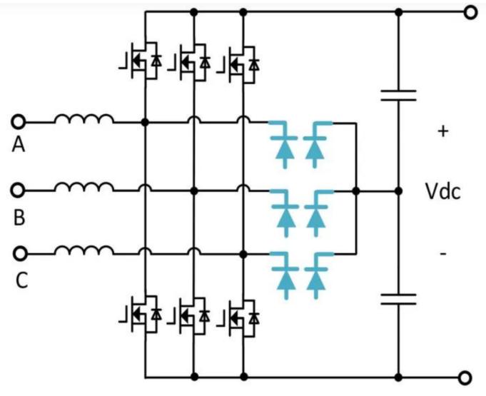
第二,是实现矩阵变换器(Matrix Converter)。矩阵变换器概念提出45年来,通过9个BDS器件连接三相端口即可实现电压、频率和功率因数调节。相比传统变频驱动器(VFD)的AC-DC-AC两级转换方案,BDS方案能消除谐波干扰、实现能量回馈,同时省去笨重的DC-link电容。
第三,是替换B2B开关。在维也纳整流器、T型变换器、HERIC逆变器中,B2B开关将直流中点回馈至交流侧,用于输入电感电流补偿和谐波抑制,在使用单片式GaN BDS替换B2B后,既能减少元件数量,又可凭借快速开关特性缩小无源元件体积。

三相三电平T型变换器的拓扑结构,其中GaN BDS作为T支路的中性点开关使用,在双极性条件下仅需承受直流输出电压的一半
第四,是电流源逆变器(CSI)。CSI的大电感具备天然过载保护能力,但需要双向电压阻断开关。虽然CSI存在控制复杂等挑战,但在大功率电机驱动、电动飞机和高压直流输电领域优势明显。GaNBDS已成功应用于CSI设计,在满足双向阻断需求的同时,单向电流传导特性可简化栅极控制。

第五,是交流固态断路器(SCCB)与电池隔离。AC SCCB要求器件具备双向导通、强过压耐受、低导通电阻、快速响应(μs级故障清除)等特性。GaN BDS替代机械断路器或MOSFET/IGBT反串联组合,可减少芯片数量并提升效率。其无显著Spirito效应的特点,避免硅基器件安全工作区(SOA)受限的问题。手机/笔记本充电电路的电池隔离开关采用源极合并单栅极架构,导通电阻可低于10mΩ。
GaN BDS,进展最快
GaN M-BDS是目前双向开关最成熟的领域:一是因为GaN是唯一能够在同一芯片上实现高压双向阻断能力的半导体;二是GaN HEMT采用横向结构,所有端子均位于晶圆同一侧,使其能够在同一衬底上集成其他器件;三是基于Si衬底的GaN 器件与 CMOS 制造工艺兼容,可在大规模晶圆厂中以较低成本实现量产。
GaN BDS的概念源于将两个背靠背的单向GaN HEMT进行单片集成,两只单向GaN HEMT在共漏极结构中的单片集成,其中每个HEMT的反向漂移区被合并为一个整体。
理想情况下,与背靠背串联的GaN HEMT相比,GaN BDS只需使用四分之一的有效芯片面积即可实现等效的导通电阻,同时继承了GaN HEMT技术的全部优点,例如零反向恢复、卓越的开关速度与开关损耗表现等。

复盘GaN BDS的历史:1957年晶闸管实现了双向电压阻断但无法双向导通电流;1958年三端双向可控硅虽能处理双向电流和电压,但开关速度极慢(仅50/60 Hz);1959年MOSFET带来了数十至100 kHz的开关频率,但其双向版本仅限低功率应用;1980年硅基IGBT支持更高功率,但单个器件仍无法同时兼顾双向电压和电流;宽禁带半导体虽显著提升了功率密度,初期仍不具备双向能力;2007 年松下提出GaN BDS的概念,基于两个 GaN栅极注入晶体管(GIT)的共漏极配置;2019年起,随着GaN BDS工程样品的出现,相关研究活动迅速升温;2024年开始器件厂商陆续推出GaN BDS产品;2025年,Enphase Energy公司在其IQ9光伏微型逆变器中首次实现了GaN BDS的商业应用。
GaN BDS,厂商的布局
目前,GaN BDS主要竞争在650V这一领域,由三个头部厂商英飞凌、纳微、瑞萨牵头。
英飞凌
英飞凌在2024年就推出了CoolGaN双向开关(BDS)系列产品,提供40 V、650 V和850 V电压选项。2025年,继续推出650V CoolGaN G5双向开关(BDS),该产品采用共漏极设计和双栅极结构,是一款使用英飞凌强大栅极注入晶体管(GIT)技术和CoolGaN™技术的单片双向开关,能够有效替代转换器中常用的传统背靠背开关。紧接着,2025年11月,英飞凌就宣布CoolGaN双向开关(BDS)被应用于 Enphase Energy 的新一代 IQ9 系列微型逆变器中。
具体而言,650V CoolGaN G5采用650V双向增强型晶体管采用共漏极配置,具备双向阻断能力、低栅极电荷、低输出电荷、集成衬底电压控制,并通过JEDEC标准认证,在跨温度与频率范围内导通电阻稳定,可替代传统的背对背开关配置。
其应用价值体现在结构紧凑、高性价比、低导通损耗、设计简化以及加速上市。在竞争优势方面,单个CoolGaN双向开关即可替代传统背对背配置所需的四个分立开关,显著简化转换器设计,减少元器件数量,有效降低系统成本,其电路结构相较传统两级式方案具备显著优势。

纳微
纳微在2025年3月推出了业界首款650V双向氮化镓功率芯片NV6427与NV6428,典型导通电阻分别为50mΩ(对应49A持续电流)与100mΩ(对应25A持续电流),具备零反向恢复电荷特性,开关频率最高达2MHz,采用顶部散热的TOLT-16L封装。
纳微解析,为实现双向电压处理与极性依赖的电流流向控制,双向氮化镓开关需要设置独立栅极,典型结构是在硅衬底上生长GaN/AlGaN外延层以形成二维电子气(2DEG)导电沟道,并包含两个功率端子和两个栅极。然而,若仅采用此结构而未将硅衬底与源极连接,悬浮的衬底会导致电位累积,通过“背栅效应”降低2DEG浓度,从而影响器件性能。为此,纳微率先开发并推出了有源衬底钳位技术,能够以最低电位自主将硅衬底钳位至源极,从而确保双向氮化镓开关稳定运行且电阻无漂移;得益于此,在众多应用场景中,该器件的工作温度较无钳位的同类方案低15°C。
此外,双向氮化镓开关需专用驱动器控制双栅极,该驱动器需能应对高瞬态条件、高电压隔离并确保卓越的信号完整性,支持5kV以上工作电压及200V/ns的极端瞬态变化。为此,纳微开发了IsoFast高速隔离型氮化镓驱动器,专为适配双向氮化镓开关设计,支持1MHz 以上频率、5kV隔离耐压,并能以高完整性传输高速信号。

纳微表示,单级双向氮化镓开关变换器省去了PFC级、电解电容和直流链路电容,天然支持软开关,可充分发挥高频优势并大幅缩小无源元件尺寸,最终实现功率密度提升30%、节能效率提升10%、成本降低10%。
以传统400W两级拓扑太阳能微型逆变器为例,相比某领先制造商采用单级双向氮化镓开关的方案:在功率提升至500W的同时,体积显著缩小,省去1个磁性元件并减少整体元件数量,系统效率从96%提升至97.5%,发电成本从0.10美元/瓦降至0.07美元/瓦,降幅达30%。

瑞萨
今年APEC,瑞萨推出业界首款采用耗尽型(D-mode)氮化镓(GaN)技术的双向开关——TP65B110HRU:该产品能够在单一器件中阻断正负电流的功能。该款器件主要应用于单级太阳能微型逆变器、人工智能(AI)数据中心和电动汽车车载充电器等系统,可大幅简化功率转换器设计,以单个低损耗、高速开关且易驱动的产品替代传统背靠背FET开关。

TP65B110HRU 650V、110mΩ高电压GaNBDS可在单个器件中同时阻断正向和反向电流,与传统单向硅基或碳化硅开关相比,能够以更少的元器件实现更高效率的单级功率转换。该器件减少了开关数量并省去了太阳能微型逆变器中的中间直流母线电容,根据美国加州能源委员会(CEC)标准,其功率转换效率可达97.5%以上。

瑞萨特别强调这款产品在D-mode上的优势,其表示对于设计人员来说,只要使用标准驱动器和简单的栅极电阻,驱动D-mode氮化镓器件就和驱动硅基MOSFET一样简单。 这与E-mode氮化镓形成鲜明对比——后者需要额外元器件,不仅占用更多电路板空间,还会增加物料清单(BOM)成本和驱动损耗。

瑞萨指出,E-mode GaN BDS的两个栅极共用同一个衬底和缓冲层,高压下会因寄生背栅效应导致阈值电压不稳定,可能引发误导通或电阻急剧上升。因此需要额外的衬底钳位电路,但这会占用芯片面积、引入瞬态滞后,并限制器件的dv/dt,使设计者无法充分利用其低输出电容和快速开关的优势。
相比之下,D-mode GaN BDS的阈值电压由两个物理隔离的硅MOSFET设定,各自独立连接源极,无需衬底钳位电路,因此不受背栅效应影响,能在高压下保持稳定阈值,实现安全开关,具备低动态导通电阻和超过100V/ns的dv/dt抗扰度,在软开关、硬开关下均有优异表现。
此外,D-mode BDS栅极驱动更简单:GaN芯片提供双向高压阻断能力,低压硅MOSFET提供隔离、3V高阈值和高鲁棒性,两者集成在同一封装中,无需额外元件,可使用标准驱动器,栅极回路简单,驱动损耗低。
最后,D-mode BDS内置低压硅MOSFET的体二极管,在死区时间内,体二极管以非常小的压降(小于2V)导通电流,实现了最高的反向导通效率。在高开关频率下,死区时间占开关周期的很大一部分,与E-mode解决方案相比,更低的压降提高了效率——E-mode方案由于缺乏体二极管且需要负驱动,其压降更高(高达6V或更多)。在反向恢复方面,硅MOSFET的体二极管不会增加任何显著的反向恢复电荷,因为该MOSFET是为低压(30V)设计的,具有最低的电荷和电阻。实际上,是GaN芯片(具有低寄生电容且无少数载流子)承受高压(650V及以上),具有零Qrr和最小的Qoss。

三条不同的路线
当前,由于三个厂商选择不同技术路线,因此GaN BDS形成了三条不同的路线,各有各的优势。引用“三代半食堂”一句话:“三条路线没有绝对优劣,各自在解决同一个问题(单器件双向阻断),但工程权衡不同。选单片还是 Cascode,取决于你的系统封装约束、驱动器生态和控制复杂度容忍度。“技术路线对比如下:

表格来源丨三代半食堂
BDS,不止于GaN
尽管大部分讨论很自然地涉及GaN MBDS,但实际上,厂商也一直在就硅(Si)和碳化硅(SiC)BDS进行研究。
今年APEC上,一些厂商表示,虽然是GaN推进了BDS市场,但硅确实能够在这个领域占据强势地位,可能进一步加速BDS的采用。由于晶圆缺陷,目前GaN和SiC的电流输出能力不及Si芯片。硅的技术成熟度使制造商能够以不错的良率制造相对较大的芯片尺寸以及相应的高电流额定值。
而对于SiC BDS,50 mΩ和25 mΩ的SiC BDS器件已在近期路线图之中,不过即便是这些规格,对于最高功率等级的应用而言,可能仍需要采用并联方式。
也有厂商认为,与其等待单片式SiC BDS,不如使用B2B(背靠背)SiC,因为低RDS(on)的B2B封装SiC已经逐渐成熟。英飞凌此前就曾表示,设计评估GaN BDS时,需将其与传统B2B结构而非单个单向开关进行对比。

不同技术(GaN、Si和SiC)下的双向开关与单向开关B2B配置的FOM对比
总结
在今年APEC的一场论坛上,厂商发起了一项预测:BDS是否能在五年内达到10亿美元市场规模?结果显示,44%的听众认同,56%较为谨慎。随着英飞凌、纳微、瑞萨三家厂商的GaN BDS器件实现商业化上市,预计今年底前还将推出至少两款产品,该领域的火热程度可见一斑。
另有传闻称,900V器件有望在今年晚些时候面世,1.2kV技术也将在未来几年逐步成熟。
参考文献
[1]Power Electronics News:https://www.powerelectronicsnews.com/apec-2026-year-zero-of-practical-commercially-available-bds/
[2]宽禁带联盟:https://www.toutiao.com/article/7602809857179189795/
[3]J. Liu et al., "GaN Bidirectional Switches: Device Technology, Applications, and Future Prospects," in IEEE Transactions on Power Electronics, doi: 10.1109/TPEL.2025.3632866.
[4]浮思特:https://mp.weixin.qq.com/s/ySodmEAg4D_mexdONVd-jA
[5]三代半食堂:https://mp.weixin.qq.com/s/SbaDJWS8RtwhGZAVcrwlIA
[6]英飞凌:氮化镓双向开关推动电力电子技术变革
[7]纳微:双向氮化镓开关搭配IsoFast高速驱动器打造单级变换新范式,有效缩减系统体积、成本及复杂度
[8]瑞萨:https://www.renesas.cn/zh/blogs/revolutionize-power-design-gan-bidirectional-switches
[9]瑞萨:https://www.renesas.cn/zh/about/newsroom/renesas-unveils-first-bidirectional-650v-class-gan-switch-solar-power-inverters-ai-data-centers-and
[10]瑞萨:https://www.renesas.cn/zh/document/whp/high-voltage-gan-bi-directional-switches-strong-performance-simpler-use?r=25611646
[11]三代半食堂:https://mp.weixin.qq.com/s/zcdzPM5XlHTA8QoxRWr6xw

