天眼查显示,维沃移动通信有限公司近日取得一项名为“功放芯片、电子设备、控制方法及装置”的专利,授权公告号为CN118921598B,授权公告日为2025年10月17日,申请日为2024年7月19日。

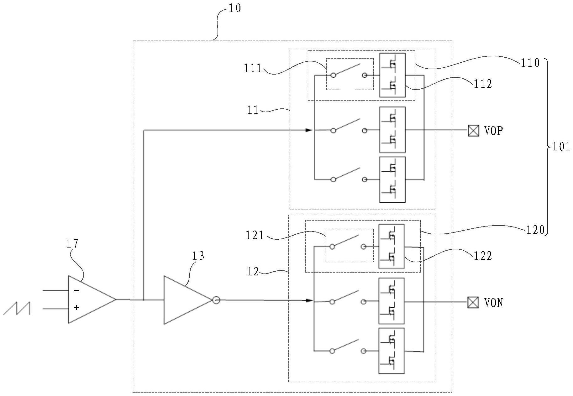
本申请公开了一种功放芯片、电子设备、控制方法及装置,其中该功放芯片包括:第一功放模组、控制模组;所述第一功放模组的输入端连接到所述功放芯片的至少一组音频信号输入引脚,所述第一功放模组的输出端连接到所述功放芯片的至少一组音频信号输出引脚,且所述第一功放模组的输入端与输出端之间设置有多组并联的功率管路径;所述控制模组与所述第一功放模组的控制端连接,所述控制模组用于控制多组所述功率管路径在所述第一功放模组的输入端与输出端之间处于导通状态或者断开状态。